Product Summary
The CK45-R3AD101K-NR is a Mid-high Voltage Ceramic Capacitor (Disk with Lead). It is Low Dissipation at High Frequency.
Parametrics
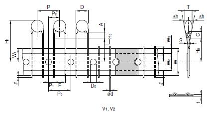
CK45-R3AD101K-NR absolute maximum ratings: (1)Capacitance: 100 pF; (2)Dimensions: 6.0 D max, 5.0 T max, 5.0±1.5 F, 0.6±0.05 d; (3)Taping dimensions: V1.
Features
CK45-R3AD101K-NR features: (1)High voltage ceramic capacitors series, low dissipation factor and higher reliability has been achieved through the use of TDK original dielectric and copper for electrode material due to nice matching of the ceramic dielectrics material for low dissipation factor, and copper for electrode; (2)These RR type ceramic capacitors are mainly used as withstand voltage protection for power transistors and diodes of switching power sources, for controlling noise, and for absorbing highfrequency pulses such as from color TV horizontal output circuits. The high density and high operating frequency of switching power sources create high equipment temperatures; (3)Low dissipation factor, and decreased self-heating temperature in the high frequency, and high voltage application; (4)These products shall conform to RoHS Directive due to lead(Pb) free of lead wire and internal solder material; (5)This product is compatible with halogen-free external resin coating (we recommend halogen-free products as standard).
Diagrams

| Image | Part No | Mfg | Description | ![]() |
Pricing (USD) |
Quantity | ||||||||||||
|---|---|---|---|---|---|---|---|---|---|---|---|---|---|---|---|---|---|---|
![]() |
![]() CK45-R3AD101K-NR |
![]() TDK |
![]() Ceramic Disc Capacitors 100pF 1000VDC 10% |
![]() Data Sheet |
![]()
|
|
||||||||||||
| Image | Part No | Mfg | Description | ![]() |
Pricing (USD) |
Quantity | ||||||||||||
![]() |
![]() CK45-B2AD681KYVR |
![]() TDK |
![]() Ceramic Disc Capacitors 680pF 1Kvolts B 10% tol |
![]() Data Sheet |
![]()
|
|
||||||||||||
![]() |
![]() CK45-B3AD101KYNN |
![]() TDK |
![]() Ceramic Disc Capacitors 100pF 1Kvolts B 10% tol |
![]() Data Sheet |
![]()
|
|
||||||||||||
![]() |
![]() CK45-B3AD101KYNR |
![]() TDK |
![]() Ceramic Disc Capacitors 100pF 1Kvolts B 10% tol |
![]() Data Sheet |
![]()
|
|
||||||||||||
![]() |
![]() CK45-B3AD121KYNN |
![]() TDK |
![]() Ceramic Disc Capacitors 120pF 1Kvolts B 10% tol |
![]() Data Sheet |
![]()
|
|
||||||||||||
![]() |
![]() CK45-B3AD121KYNR |
![]() TDK |
![]() Ceramic Disc Capacitors 120pF 1Kvolts B 10% tol |
![]() Data Sheet |
![]()
|
|
||||||||||||
![]() |
![]() CK45-B3AD122KYNR |
![]() TDK |
![]() Ceramic Disc Capacitors 1200pF 1Kvolts B 10% tol |
![]() Data Sheet |
![]()
|
|
||||||||||||
(China (Mainland))









