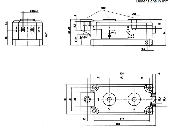
Product Summary
The SKKT430/16E is a thyristor/diode module. The applications include input converters for AC, DC motor control, temperature control, professional light dimming.
Parametrics
SKKT430/16E absolute maximum ratings: (1)ITAV: 440A; (2)ITSM: 15000A; (3)ID: 820A; (4)Visol: 3600/3000V.
Features
SKKT430/16E features: (1)heat transfer through aluminium nitride ceramic isolated metal baseplate; (2)precious metal pressure contacts for high reliability; (3)ul recognized.
Diagrams

![]() |
![]() SKKT 213 |
![]() Other |
![]() |
![]() Data Sheet |
![]() Negotiable |
|
||||
![]() |
![]() SKKT 253 |
![]() Other |
![]() |
![]() Data Sheet |
![]() Negotiable |
|
||||
![]() |
![]() SKKT 56 |
![]() Other |
![]() |
![]() Data Sheet |
![]() Negotiable |
|
||||
![]() |
![]() SKKT 57 |
![]() Other |
![]() |
![]() Data Sheet |
![]() Negotiable |
|
||||
![]() |
![]() SKKT 57B |
![]() Other |
![]() |
![]() Data Sheet |
![]() Negotiable |
|
||||
![]() |
![]() SKKT105 |
![]() Other |
![]() |
![]() Data Sheet |
![]() Negotiable |
|
||||
(China (Mainland))








