Product Summary
The FZ1200R16KF4 is an IGBT module.
Parametrics
FZ1200R16KF4 absolute maximum ratings: (1)collector-emitter voltage: 1600V; (2)dc-collecor current: 1200A; (3)repetitive peak collector current: 2400A; (4)gate-emitter peak voltage: ±20V; (5)dc forward current: 1200A.
Features
FZ1200R16KF4 features: (1)collector-emitter saturation voltage: 39V; (2)input capacity: 180nF; (3)collector-emitter cut-off current: 8mA; (4)gate leakage current: 400nA; (5)turn-on time: 400nA.
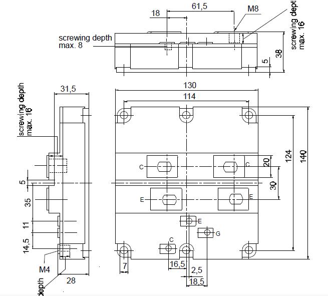
Diagrams

| Image | Part No | Mfg | Description | ![]() |
Pricing (USD) |
Quantity | ||||||||||||
|---|---|---|---|---|---|---|---|---|---|---|---|---|---|---|---|---|---|---|
![]() |
![]() FZ1200R16KF4 |
![]() Infineon Technologies |
![]() IGBT Modules 1600V 1200A SINGLE |
![]() Data Sheet |
![]()
|
|
||||||||||||
![]() |
![]() FZ1200R16KF4S1 |
![]() Infineon Technologies |
![]() IGBT Modules 1600V 1200A SINGLE |
![]() Data Sheet |
![]() Negotiable |
|
||||||||||||
(China (Mainland))









