Product Summary
The CM400YE2P-12F is an IGBT module. Its applications include three level inverter topologies, solar power inverters, high efficiency UPS, long motor lead applications.
Parametrics
CM400YE2P-12F absolute maximum ratings: (1)Junction temperature: -40 to 150℃; (2)storage temperature: -40 to 125℃; (3)isolation voltage: 2500Vrms; (4)collector-emitter volage: 600V; (5)gate-emitter voltage: ±20V; (6)collector current DC: 400A.
Features
CM400YE2P-12F features: (1)smaller output voltage steps reducing surge voltage; (2)low output ripple current; (3)lower modulation frequency with same quality output waveform.
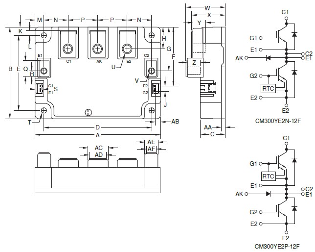
Diagrams

![]() |
![]() CM400DU-12F |
![]() |
![]() IGBT MOD DUAL 600V 400A F SER |
![]() Data Sheet |
![]()
|
|
||||||||||||||||
![]() |
![]() CM400DU-12H |
![]() |
![]() IGBT MOD DUAL 600V 400A U SER |
![]() Data Sheet |
![]()
|
|
||||||||||||||||
![]() |
![]() CM400DU-12NFH |
![]() |
![]() IGBT MOD DUAL 600V 400A NFH SER |
![]() Data Sheet |
![]()
|
|
||||||||||||||||
![]() |
![]() CM400DU-24F |
![]() |
![]() IGBT MOD DUAL 1200V 400A F SER |
![]() Data Sheet |
![]()
|
|
||||||||||||||||
![]() |
![]() CM400DU-24H |
![]() |
![]() IGBT MOD DUAL 1200V 400A U SER |
![]() Data Sheet |
![]()
|
|
||||||||||||||||
![]() |
![]() CM400DU-24NFH |
![]() |
![]() IGBT MOD DUAL 1200V 400A NFH SER |
![]() Data Sheet |
![]()
|
|
||||||||||||||||
(China (Mainland))








